| Поиск по VIN | ||

ESCORT/ORION 1986-1990 (DA)

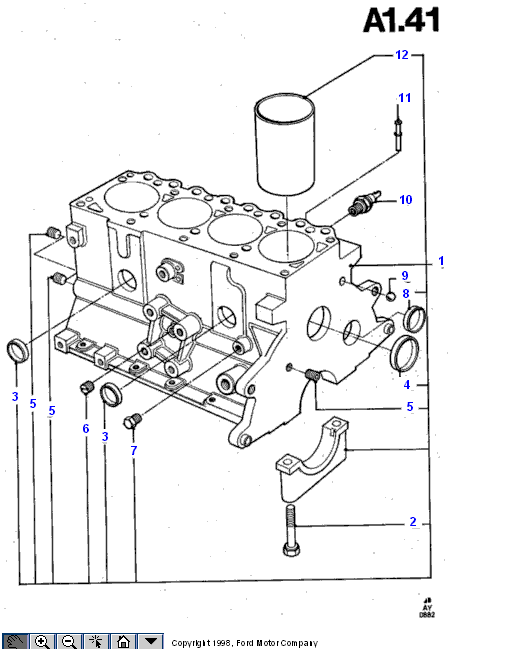
PNC Наименование детали Номер автозапчасти Инфо 1 БЛОК ЦИЛИНДРОВ 
2 БОЛТ С ШЕСТ. ГОЛ. КРЫШКИ ПОДШ. 
3 ЗАГЛУШКА 
4 ЗАГЛУШКА 
5 ПРОБКА МАСЛЯНОЙ ГАЛЕРЕИ 
6 ПРОБКА МАСЛЯНОЙ ГАЛЕРЕИ 
7 СЛ. ПРОБКА БЛОКА ЦИЛИНДРОВ 
8 ЗАГЛУШКА 
9 ШАРИК ГАЛЕРЕИ СЛИВА МАСЛА 
10 ПЕРЕКЛЮЧАТЕЛЬ ДАВЛЕНИЯ МАСЛА 
11 ПЕРЕХОДНИК 
12 ГИЛЬЗА ЦИЛИНДР 
Новости компании
