| Поиск по VIN | ||

FIESTA 1976-1989 (AX)

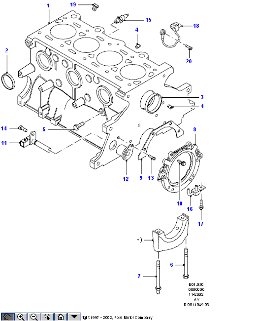
PNC Наименование детали Номер автозапчасти Инфо 1 БЛОК ЦИЛИНДРОВ 
2 ЗАГЛУШКА 
3 ЗАГЛУШКА 
4 РЕЗЬБОВАЯ ПРОБКА 
5 ПРОБКА СЛИВА ВОДЫ 
6 БОЛТ С ШЕСТ. ГОЛ. КРЫШКИ ПОДШ. 
7 БОЛТ С ШЕСТ. ГОЛ. КРЫШКИ ПОДШ. 
8 ДЕРЖАТЕЛЬ УПЛОТНЕНИЯ 
9 ПРОКЛАДКА 
10 ВИНТ СО СПЕЦИАЛЬНОЙ ГОЛОВКОЙ 
11 ДАТЧИК ПОЛОЖЕНИЯ КОЛЕНВАЛА 
12 ВТУЛКА С ЗАПЛЕЧИКОМ 
13 ВИНТ С ПЛОСКОЙ ГОЛОВКОЙ 
14 ВИНТ С ПЛОСКОЙ ГОЛОВКОЙ 
15 ПЕРЕКЛЮЧАТЕЛЬ ДАВЛЕНИЯ МАСЛА 
16 ФОРСУНКА ОХЛАЖДЕНИЯ ПОРШНЯ 
17 БОЛТ С ШЕСТИГРАННОЙ ГОЛОВКОЙ 
18 ДАТЧИК ДЕТОНАЦИИ ДВИГАТЕЛЯ 
19 ЗАГЛУШКА 
20 БОЛТ 
Новости компании
