| Поиск по VIN | ||

COUGAR 1998-2000 (MC)

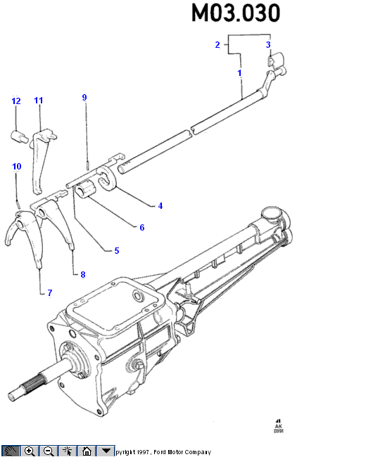
PNC Наименование детали Номер автозапчасти Инфо 1 ВАЛ ПЕРЕКЛЮЧЕНИЯ ПЕРЕДАЧ КП 
2 ВАЛ ПЕРЕКЛЮЧЕНИЯ ПЕРЕДАЧ КП 
3 ВТУЛКА 
4 ПЛАСТИНА БЛОКИРОВКИ 
5 КУЛИСА 3/4 ПЕРЕДАЧ 
6 ВИЛКА СЕЛЕКТОРА 
7 ВИЛКА 3/4 ПЕРЕДАЧ 
8 ВИЛКА 1/2 ПЕРЕДАЧ 
9 ЦИЛИНДРИЧЕСКИЙ ШТИФТ 
10 ЦИЛИНДРИЧЕСКИЙ ШТИФТ 
11 РЫЧАГ ПЕРЕДАЧИ ЗАДНЕГО ХОДА 
12 ШТИФТ 
Новости компании
