Сетевые проекты
блок банера
Наш адрес:
Москва, ул. Уральская д.5

Схема проезда

 

Поиск по VIN
VIN (17 знаков):   
 
Выбрать модель FORD

ESCORT 1995-2001 (FA)


  • ESCORT 1995-2001 (FA)
  • ЗАДНИЙ МОСТ БЕЗ ТОРМОЗОВ
  • ЗАДНИЙ МОСТ

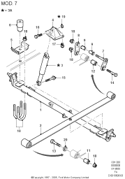
    • 010 ЗАДНИЙ МОСТ

    • 020 ЗАДНИЙ МОСТ/ПРУЖИНЫ И АМОРТИЗАТОРЫ

    • 030 ДИФФ.ЗАД.МОСТА И ./КАРД.ВАЛ

    • 030 ДИФФ.ЗАД.МОСТА И ./КАРД.ВАЛ

    • 040 ЭЛ-ТЫ-ДИФФ. И ЗАДН. МОСТА

    • 050 ПОПЕРЕЧИНА/РЫЧАГИ ЗАДНЕЙ ПОДВЕСКИ

    • 060 ПОПЕРЕЧИНА/РЫЧАГИ ЗАДНЕЙ ПОДВЕСКИ

    Новости компании