Сетевые проекты
блок банера
Наш адрес:
Москва, ул. Уральская д.5

Схема проезда

 

Поиск по VIN
VIN (17 знаков):   
 
Выбрать модель FORD

ESCORT/ORION 1986-1990 (DA)


  • OHV/HCS/CVH/CHT/ICVH/ZETEC (AY)
  • DURATEC HE
  • ГОЛОВКА ЦИЛ.КЛАП.КОЛЛЕКТ.EGR

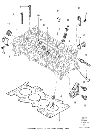
    • 010 ГОЛОВКА ЦИЛИНДРОВ

    • 020 ВЫПУСКНОЙ КОЛЛЕКТОР

    • 025 ВЫПУСКНОЙ КОЛЛЕКТОР

    • 030 РЕЦИРКУЛЯЦИЯ ОТРАБОТАВШИХ ГАЗОВ

    • 035 РЕЦИРКУЛЯЦИЯ ОТРАБОТАВШИХ ГАЗОВ

    Новости компании