Сетевые проекты
блок банера
Наш адрес:
Москва, ул. Уральская д.5

Схема проезда

 

Поиск по VIN
VIN (17 знаков):   
 
Выбрать модель FORD

COUGAR 1998-2000 (MC)


  • КОРОБКА ПЕРЕДАЧ (AK)
  • МЕХАНИЧЕСКАЯ
  • ТИП F

    • 010 МЕХ. КОРОБКА ПЕРЕДАЧ И КАРТЕР

    • 020 ЭЛ-ТЫ МЕХАНИЧЕСКОЙ КОРОБКИ ПЕРЕДАЧ

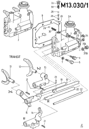
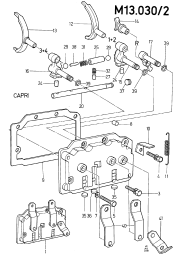
    • 030 МЕХ-М ПЕРЕКЛ. ПЕРЕДАЧ МКПП

    • 030 МЕХ-М ПЕРЕКЛ. ПЕРЕДАЧ МКПП

    Новости компании