Сетевые проекты
блок банера
Наш адрес:
Москва, ул. Уральская д.5

Схема проезда

BMW 5' E39 

В начало
Кузов: touring
Модель: 523i / DR42
АКПП
Правый руль
03/2000
Выбор групп запчастей
Микрофильтр/фильтр с активирован.углем
64_0673 - Микрофильтр/фильтр с активирован.углем
Сопла/накладки
64_0674 - Сопла/накладки
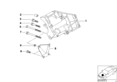
Вентиляционный канал
64_0675 - Вентиляционный канал
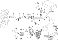
Водяные шланги, помпа, клапан
64_0676 - Водяные шланги, помпа, клапан
Панель управления автом.сист.кондицион.
64_0678 - Панель управления автом.сист.кондицион.
Сервопривод автом.сист.кондиционирования
64_0680 - Сервопривод автом.сист.кондиционирования
Электрические детали кондиционера
64_0681 - Электрические детали кондиционера
Испаритель/ предохранительный клапан
64_0683 - Испаритель/ предохранительный клапан
Бачок осушителя
64_0686 - Бачок осушителя
Конденсатор кондиц./дополнит.вентилятор
64_0687 - Конденсатор кондиц./дополнит.вентилятор
Мелкие детали
64_0689 - Мелкие детали
Блок клапанов накопителя остаточн.тепла
64_0691 - Блок клапанов накопителя остаточн.тепла
Водяные шланги накопитедя остат.тепла
64_0692 - Водяные шланги накопитедя остат.тепла
Накопитель остаточного тепла
64_0693 - Накопитель остаточного тепла
Датчик AUC
64_0700 - Датчик AUC
Вентилятор задней части салона
64_0702 - Вентилятор задней части салона
Детали корпуса отопителя Valeo
64_0721 - Детали корпуса отопителя Valeo
Детали корпуса автомат.сист.кондиционир.
64_0722 - Детали корпуса автомат.сист.кондиционир.
Компрессор кондиционера
64_0780 - Компрессор кондиционера
Опорный кронштейн компрессора кондиц.
64_0781 - Опорный кронштейн компрессора кондиц.
Опорный кронштейн компрессора кондиц.
64_0782 - Опорный кронштейн компрессора кондиц.
Шланги насос-клапан/ автом.сист.кондиц.
64_0929 - Шланги насос-клапан/ автом.сист.кондиц.
Шланги насос-клапан/ автом.сист.кондиц.
64_0930 - Шланги насос-клапан/ автом.сист.кондиц.
Водяные шланги, помпа, клапан
64_0931 - Водяные шланги, помпа, клапан
Водяные шланги, помпа, клапан
64_0932 - Водяные шланги, помпа, клапан
Детали корпуса кондиционера
64_0946 - Детали корпуса кондиционера
Панель управления кондиционера
64_0947 - Панель управления кондиционера
Нагревательный элемент кондиционера
64_0948 - Нагревательный элемент кондиционера
Испаритель/ предохранительный клапан
64_0949 - Испаритель/ предохранительный клапан
Трубопроводы хладагента
64_0964 - Трубопроводы хладагента
Электрические детали авт.сист.кондицион.
64_1029 - Электрические детали авт.сист.кондицион.
Нагревательный элемент авт.сист.кондиц.
64_1030 - Нагревательный элемент авт.сист.кондиц.
Сервопривод автом.сист.кондиционирования
64_1136 - Сервопривод автом.сист.кондиционирования
Комплект дооснащ. ДУ автон.сист.отоплен.
64_1182 - Комплект дооснащ. ДУ автон.сист.отоплен.
Комплект доосн.таймера автон.сист.отопл.
64_1183 - Комплект доосн.таймера автон.сист.отопл.
Детали кондиционера Economic
64_1223 - Детали кондиционера Economic
Новости компании