Сетевые проекты
блок банера
Наш адрес:
Москва, ул. Уральская д.5

Схема проезда

BMW 5' E39 

В начало
Кузов: touring
Модель: 520i M54 / DS21
АКПП
Левый руль
03/2001
Выбор групп запчастей
Рул.колонка-верхн.секция вала рул.упр.
32_0700 - Рул.колонка-верхн.секция вала рул.упр.
Замок вала рул.кол./выключ.заж.и старт.
32_0703 - Замок вала рул.кол./выключ.заж.и старт.
Насос гидроусилителя рулевого управления
32_0720 - Насос гидроусилителя рулевого управления
Масляный резервуар/детали
32_0722 - Масляный резервуар/детали
Маслопроводы гидроусилителя рул.управл.
32_0723 - Маслопроводы гидроусилителя рул.управл.
Рул.колонка-нижн.секция вала рул.упр.
32_0724 - Рул.колонка-нижн.секция вала рул.упр.
Рулевая колонка с механическим приводом
32_0725 - Рулевая колонка с механическим приводом
Спорт.рул.кол.в M-стиле кожа с НПБ Smart
32_1099 - Спорт.рул.кол.в M-стиле кожа с НПБ Smart
Спорт.многоф.рул.кол.в M-ст.с НПБ Smart
32_1136 - Спорт.многоф.рул.кол.в M-ст.с НПБ Smart
Спорт.многоф.рул.кол.в M-ст.с НПБ Smart
32_1137 - Спорт.многоф.рул.кол.в M-ст.с НПБ Smart
Многофункц.рулевое колесо с НПБ Smart
32_1164 - Многофункц.рулевое колесо с НПБ Smart
Рулевое колесо с НПБ Smart
32_1165 - Рулевое колесо с НПБ Smart
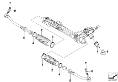
Рулевой механизм с гидроусилителем
32_1176 - Рулевой механизм с гидроусилителем
Рулевые тяги/тяги рулевой трапеции
32_1178 - Рулевые тяги/тяги рулевой трапеции
Спорт.рул.кол.с НПБ Smart/Dekorcover
32_1231 - Спорт.рул.кол.с НПБ Smart/Dekorcover
Спорт.рул.кол.с НПБ Smart MF/Dekorcover
32_1232 - Спорт.рул.кол.с НПБ Smart MF/Dekorcover
Дооснащение сервотроником
32_1275 - Дооснащение сервотроником
Обод рулевого колеса дерево-кожа
32_1297 - Обод рулевого колеса дерево-кожа
К-т доосн.многофункц. рулевым колесом
32_1310 - К-т доосн.многофункц. рулевым колесом
Переосн.рул.колеса с 4-я спиц. => Sport
32_1353 - Переосн.рул.колеса с 4-я спиц. => Sport
Переосн.рул.кол.MFL с 4-я спиц. => Sport
32_1354 - Переосн.рул.кол.MFL с 4-я спиц. => Sport
Переосн.рул.колеса с 4-я спицами=>MSport
32_1355 - Переосн.рул.колеса с 4-я спицами=>MSport
Переосн.рул.кол.MFL с 4-я сп.=> M Sport
32_1356 - Переосн.рул.кол.MFL с 4-я сп.=> M Sport
Переосн.рулевого колеса Sport => M Sport
32_1357 - Переосн.рулевого колеса Sport => M Sport
Переосн.рул.колеса MFL Sport => M Sport
32_1358 - Переосн.рул.колеса MFL Sport => M Sport
Переосн.рул.колеса M Sport => M Sport
32_1359 - Переосн.рул.колеса M Sport => M Sport
Переосн.рул.кол.MFL M Sport => M Sport
32_1360 - Переосн.рул.кол.MFL M Sport => M Sport
Новости компании