
- Модуль подачи воздухаТрубопровод пневмосистемыCоединительные детали длярегулировки клиренсаколлич.
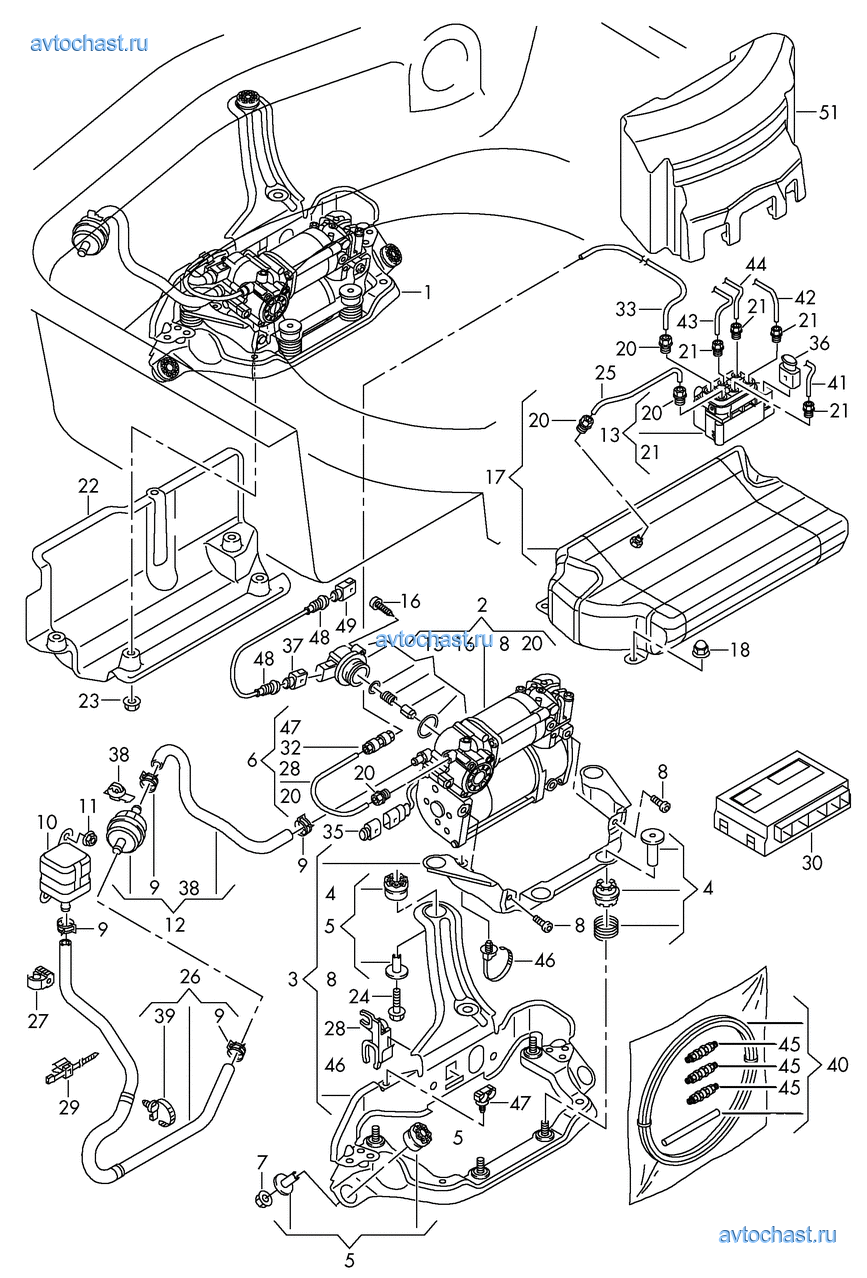
(1) 4G0616005D Модуль подачи воздуха11 4G0616005C Модуль подачи воздухаиспользовать с:4H0 951 253112 Воздушный компрессоримеется в позиции:13 4G0698999 Кронштейн воздушногокомпрессораРемкомплект14 4H0698505 РемкомплектPезиновая подушка15 4H0698649 РемкомплектPезиновая подушка16 4G0698306 РемкомплектТруба напорной линии17 N 90887703 Шестигранная гайка с фланцем,самоконтрящаясяM618 N 10335207 Винт с плоской головкой ивнутр. TORX, самостопорящийсяукоротить до:M6X12M6X1039 N 90686701 Хомут14X12210 4G0616095B Глушитель111 N 90947201 Гайка шестигранная5212 4G0698030 РемкомплектВоздушный фильтр113 4H0616013A Блок клапанов115 4H0698311 РемкомплектВыпускной клапан116 N 10556501 Cаморез по металлу5X30217 4G0616203C Pесивер118 N 01508210 Шестигранная гайка с буртикомM6320 7L0616757 Штекерный соединительM10X1X21 4B0616751 ШтуцерM8X1X22 4G0616105B ЭкранМодуль подачи воздуха123 N 90488005 Гайка, шестигранная с шайбойM6524 N 91207001 Болт с шестигр. гол. (комби)M6X45225 4G0616715B Воздушный трубопроводфиолетов.126 4G0616091 Шланг забора воздухаВоздушный фильтр127 N 90937702 Хомут для связывания проводов4,6X193228 4G0611850 Кронштейн3 отсека129 3D0971838A Кабельный соединит. с держат.для привариваемого штифта5X2005MM4(30) 4G0907553G Блок управления системырегулирования дорож. просвета1PR-1BK,2MB,1BS32 4G0616829 Штекерный соединитель6MMX33 4G0616707G Воздушный трубопроводпри необх. использов. с:коричневый1Y0 971 83811Cедан(33) 4G0616707H Воздушный трубопроводпри необх. использов. с:коричневый1Y0 971 83811AVANT- 5M0971838A Кабел. соед-ль с цоколем креп.с боковой направляющей кабелядля толщины усилителя:Cегмент, зубчатый(Зажимной цоколь поворотный)наружн.4,6X2001-3MM135 1J0973752 Корпус плоского разъёма сфиксатором контактов2-штекерн.136 1J0973715 Корпус плоского разъёма сфиксатором контактов10-штекерн.137 4D0971992A Корпус разъема под плоскиеконтакты с их фиксацией2-штекерн.черный/синий138 3D0971830F Кронштейн корпуса разъемаКорпус разъема339 8L0971838 Кабельная стяжка с держателемдля пластикового штифта:5X3005240 4E0698141 Комплект для ремонтавоздуховода4X1141 Трубопровод пневмосистемыдля изготовления из поз.:красн.слева спереди4042 Трубопровод пневмосистемыдля изготовления из поз.:черн.слева сзади4043 Трубопровод пневмосистемыдля изготовления из поз.:зелен.справа спереди4044 Трубопровод пневмосистемыдля изготовления из поз.:синийсправа сзади4045 4F0616241 ШтуцерX46 4F2721663 Хомут для связывания проводовдля диам. отв./толщ. лист.:4,7X160MM6,5/0,75-3,00147 7L6971880 Крепеж кабеля148 6N0906102 Насадка/наконечник11,9X53249 7L0973812 Корпус разъема под плоскиеконтакты с их фиксацией4-штекерн.151 КожухБлок магнитных клапановсм. панель иллюстр., поз.:011-010,2
Новости компании










