
- Подрамникзадн.коллич.Quattro
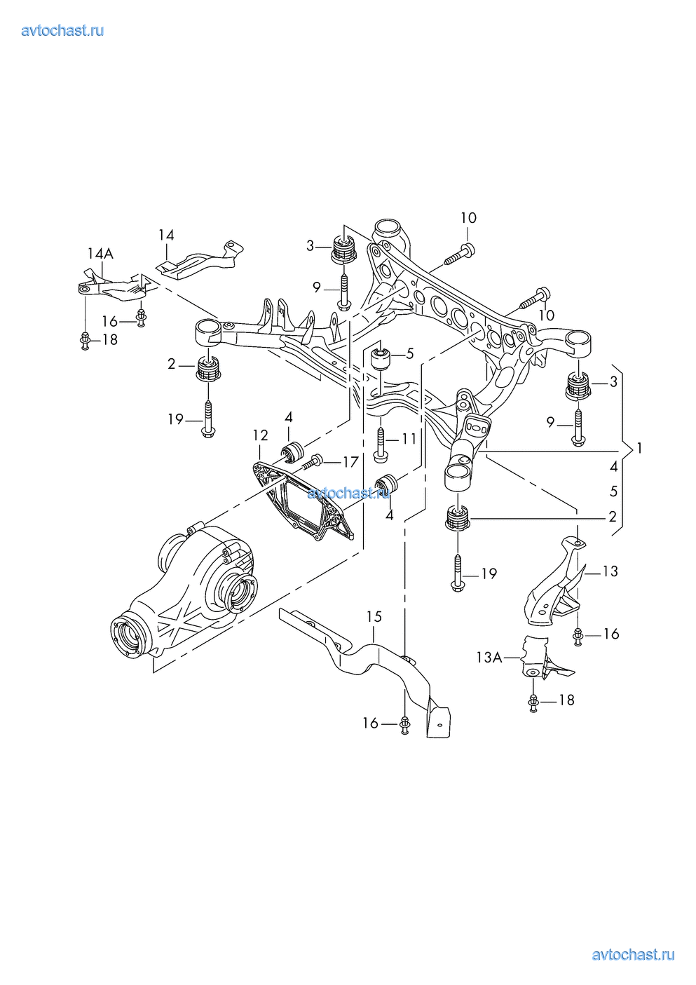
1 4G0505235AD ПодрамникD >> - 28.09.20151(1) 4G0505235AE ПодрамникD - 28.09.2015>>12 4G0505145 Cайлент-блокD >> - 28.09.2015использовать для:передн.4G0 505 235 AD2(2) 4G0505145F Cайлент-блокD - 28.09.2015>>использовать для:передн.4G0 505 25 AE23 4G0505145C Гидроопоразадн.24 8K0599257N Cайлент-блок25 8K0599381J Cайлент-блок19 WHT004756A Болт (Kombi)M12X1,5X145210 N 10640501 Болт (Kombi)M12X1.5X80211 N 10719201 Винт с цилиндрической головкойс внутр.шестигр. (комбинир.)M10X95112 8K0599287J Траверса1PR-GH113 4G0505561C Защита от ударов камнейлев.1PR-1SH,1SJ13A 4G0505567A Защита от ударов камнейлев.1PR-1SH,1SJ14 4G0505562C Защита от ударов камнейправ.1PR-1SH,1SJ14A 4G0505566C Защита от ударов камнейправ.1PR-1SH,1SJ15 4H0505565C Защита от ударов камнейзадн.1PR-1SH,1SJ16 4F0501329A Заклепка, распорная8PR-1SH,1SJ17 N 10687201 Винт с цилиндрической головкойс внутр.многогр. (комбинир.)M10X454PR-GH118 8K0501329 Заклепка, распорнаяXPR-1SH,1SJ19 WHT005800 Болт (Kombi)M14X1,5X1202
Новости компании










