
- Шланги ОЖдля а/м с автономнымотопителемколлич.PR-9M9+TV7
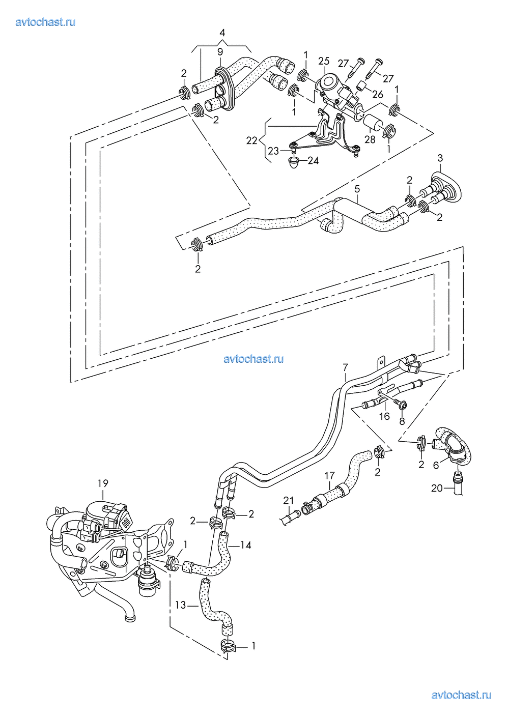
1 N 90687001 Хомут27X12X2 N 90686902 Хомут23X1223 Двойная втулкасм. панель иллюстраций:819-02014 4G1265347AE Шланг системы охлаждениядля а/м с автономнымотопителем15 4G1265344D Шланг системы охлаждения16 4G0265356C Шланг системы охлаждениядля а/м с автономнымотопителем17 4G0265235AA Трубопровод системы охлаждениядля а/м с автономнымотопителем18 WHT003841 Болт с полукруг. низкой голов.M6GFX14X9 8K0819345E Двойная втулкаШланг системы охлаждения113 4G0265351C Шланг системы охлажденияНапор. магист.114 4G0265353C Шланг системы охлажденияОбрат. магист.116 4G0819377Q Трубопровод системы охлаждения117 4G0819374M Шланг системы охлаждения119 см. панель иллюстраций:261-010120 Трубопровод системы охлаждениясм. основн.группу и подгруппу:1-21121 Трубопровод системы охлаждениясм. основн.группу и подгруппу:1-21122 4G0261164 Кронштейндля магнитного клапана123 3W0805596 Крепёжный палец324 7L6103733 пружинный зажим325 8E0820036 Электромагнитный клапан126 8E0820607 Гильзадля магнитного клапана227 N 91097201 Болт с плоской головкойM6X35228 8J0121324 Колпачок20X3.51
Новости компании










