
- Шланги ОЖдля а/м с автономнымотопителемколлич.PR-9M9+TF1,TG1,TH1
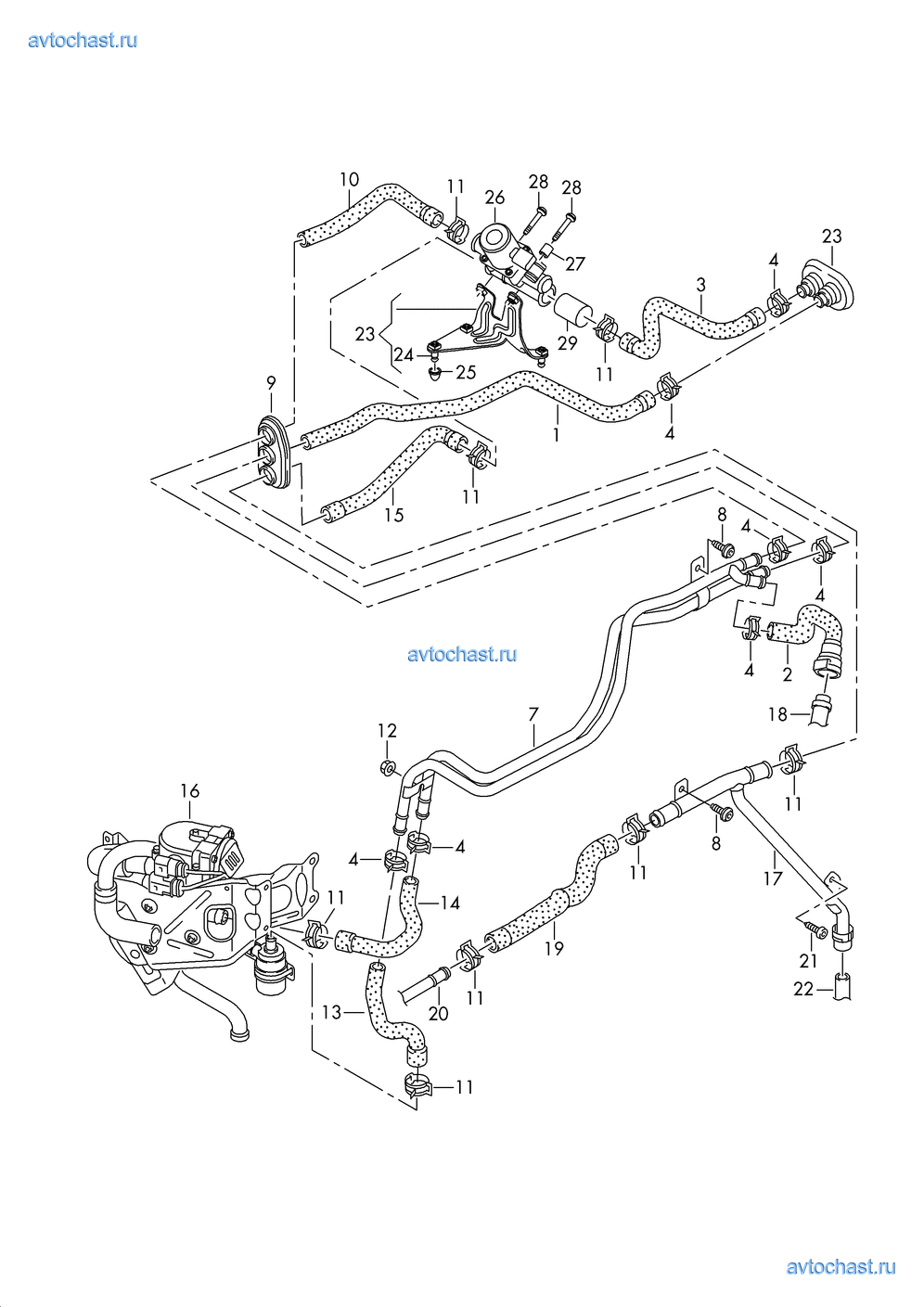
1 4G1265371A Шланг системы охлажденияОбрат. магист.12 4G0265356 Шланг системы охлажденияОбрат. магист.13 4G1265373H Шланг системы охлажденияНапор. магист.14 N 90686902 Хомут23X12X7 4G0265235T Трубопровод системы охлаждения18 WHT003841 Болт с полукруг. низкой голов.M6GFX14X9 8K0819345E Двойная втулкаШланг системы охлаждения110 4G1265355G Шланг системы охлажденияНапор. магист.111 N 90687001 Хомут27X12X12 N 01508210 Шестигранная гайка с буртикомM6X13 4G0265351C Шланг системы охлажденияНапор. магист.114 4G0265353C Шланг системы охлажденияОбрат. магист.115 4G1265370G Шланг системы охлаждениядля а/м с автономнымотопителемНапор. магист.116 Нагр. ус-во автоном. оттпителясм. основн.группу и подгруппу:1-2117 4G0819377K Трубопровод системы охлаждения1PR-0G7(17) 4G0819377L Трубопровод системы охлаждения1PR-0G118 Трубопровод системы охлаждениясм. основн.группу и подгруппу:1-2119 4G0819374G Шланг системы охлажденияНапор. магист.1PR-TF1,TH1(19) 4G0819374L Шланг системы охлажденияНапор. магист.1PR-TG120 Трубопровод системы охлаждениясм. основн.группу и подгруппу:1-2121 N 01021723 Болт с шестигранной головкойM6X20X22 Шланг системы охлаждениясм. основн.группу и подгруппу:1-2123 4G0261164 Кронштейндля магнитного клапана124 3W0805596 Крепёжный палец325 7L6103733 пружинный зажим326 8E0820036 Электромагнитный клапан127 8E0820607 Гильзадля магнитного клапана228 N 91097201 Болт с плоской головкойM6X35229 8J0121324 Колпачок20X3.51
Новости компании










