
- Охладитель наддув. воздуха4,0 л.коллич.8-цилинд.+Бенз. дв-ль+CTGE
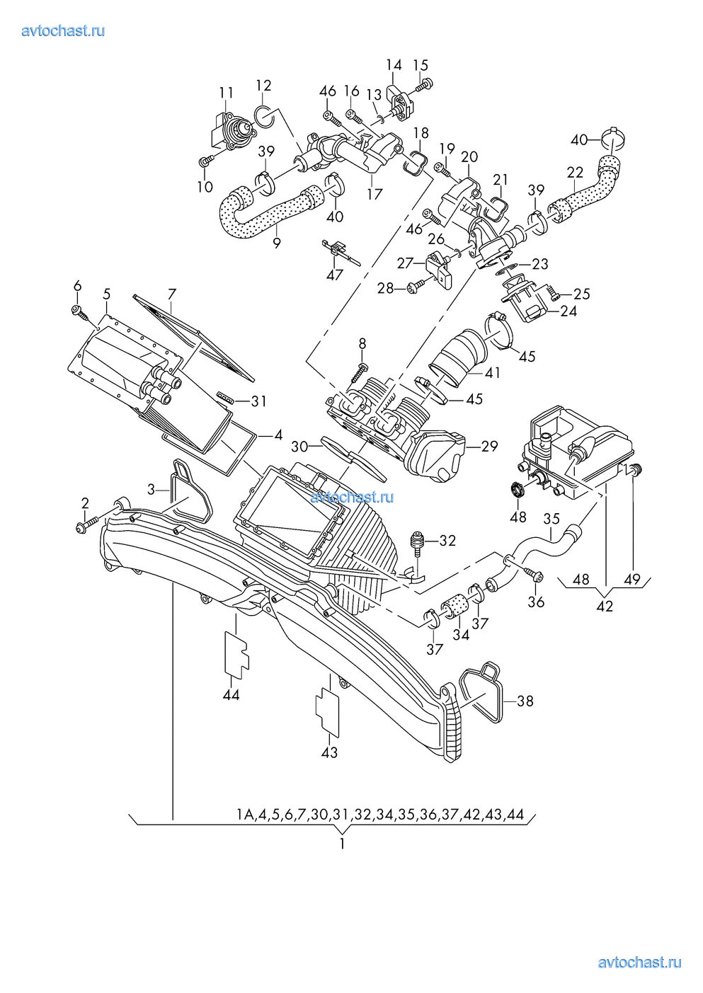
1 079145581Q Воздуховодинтеркулера11 079145581S Воздуховодинтеркулера11 079145581T Воздуховодинтеркулера11A 079145905J Корпус воздуховода12 079133235 SpannhuelseM6X2863 079129717K Прокладкаправ.14 079145865 Прокладка15 079145785J Охладитель наддув. воздухаD >> - 20.07.201615 079145785K Охладитель наддув. воздухаD - 20.07.2016>>16 N 10442003 Cаморез5X16167 079145242 Уплотнительная рамка18 N 10547902 Cаморез с потайной головкой6X3569 079145712D Воздухозаборный шлангправ.110 N 10196103 Cаморез с внутренниммногогранникомM6X18311 06H145710D Отключающий клапан1(13) Уплотнительное кольцоимеется в позиции:41X214114 038906051K Датчик давленияКорпус плоского разъема1J0 900 962115 N 10196103 Cаморез с внутренниммногогранникомM6X18216 N 10124306 Винт со скр.цил.гол.,внут.TORXM6X20217 079145751G ПатрубокD >> - 08.12.2015прав.117 079145751J ПатрубокD - 08.12.2015>>прав.118 079145417A УплотнениеD >> - 08.12.2015118 079145417B УплотнениеD - 08.12.2015>>119 N 10124306 Винт со скр.цил.гол.,внут.TORXM6X20220 079145751F ПатрубокD >> - 08.12.2015лев.120 079145751H ПатрубокD - 08.12.2015>>лев.121 079145417A Уплотнение122 079145712 Воздухозаборный шланглев.1(23) Уплотнительное кольцоимеется в позиции:41X22424 06H145710D Отключающий клапан1- 06E145117A Уплотнительное кольцоимеется в позиции:41X224125 N 10196103 Cаморез с внутренниммногогранникомM6X18326 Уплотнительное кольцоимеется в позиции:2727 038906051K Датчик давленияКорпус плоского разъема1J0 900 962128 N 10196103 Cаморез с внутренниммногогранникомM6X18229 079133062L Дроссельная заслонка130 079145818 Уплотнение231 079145976 Насадка/наконечник232 079145219A Дистанционная втулка с винтомс цилиндрической головкой334 079103237A Шланг для удаления воздуха135 079103216 Трубка для удаления воздуха136 N 10442003 Cаморез5X16137 N 91115401 ХомутA20-32X9238 079129717J Прокладкалев.139 N 90489801 Хомут33,5X10X0,8240 N 90442501 Хомут32X10X0,8241 079145834D Воздуш. шланг напорной стороны242 079103542B МаслоотделительD >> - 18.06.2015142 079103542D МаслоотделительD - 18.06.2015>> - 01.08.2016142 079103542E МаслоотделительD - 01.08.2016>>1- WHT008085 Уплотнительное кольцоимеется в позиции:21X4-N42143 079145707E Теплоизоляциялев.144 079145707D Теплоизоляцияправ.145 N 10518801 Хомут40-60X12446 N 10156206 Винт со скр.цил.гол.,внут.TORXM6X30247 3D0971838M Кабел. соед-ль с цоколем креп.для толщины усилителя:(Зажимной цоколь поворотный)4,6X2001-3MMX48 079103583A Прокладка149 079103583 Прокладка3
Новости компании










